Projects

Combat Chess
Designed a high-efficiency buck converter power supply that converts a 12V input to a stable 3.3V output using the TPS54202H. It delivers up to 2A of current, making it suitable for various industrial and consumer electronic applications.

+12V to +3V3 Buck Converter
Designed a high-efficiency buck converter power supply that converts a 12V input to a stable 3.3V output using the TPS54202H. It delivers up to 2A of current, making it suitable for various industrial and consumer electronic applications.

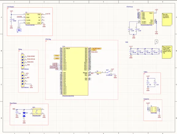
Driver Interfaces
Developed a multi-layer PCB in order to display fault notifications from the Battery Management System (BMS), Vehicle Control Unit (VCU), vehicle speed, and temperature.

Hastest DAC, DAQ, and Power Supply Control Suite
In a project for Hastest Solutions, I designed a High Temperature Operating Life (HTOL) test for a Radio Frequency (RF) amplifier.

Mini Genome Assembler
An educational mini genome assembler for CS 144 (Algorithms for Bioinformatics) that identifies maximum suffix–prefix overlaps, builds unitigs, and reconstructs a genome from error-free reads.